




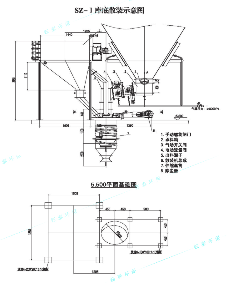
汽車散裝機是將庫內的粉料或骨料自動無塵裝車的設備。汽車散裝機主要由手動棒閥,電動扇形閥,卷揚裝置,伸縮卸料裝置、收塵軟管,電容式限位開關,電控系統等部分組成。
服務電話:13091153069(同微信) 汽車散裝機是將庫內的粉料或骨料自動無塵裝車的設備。汽車散裝機主要由手動棒閥,電動扇形閥,卷揚裝置,伸縮卸料裝置、收塵軟管,電容式限位開關,電控系統等部分組成。當汽車進入位置后,打開棒閥相應的棒條數量。按住控制柜的“下降鈕”,下料頭到位后會自動斷開升降電機電源,按“裝車鈕”進入卸料狀態,輔助配套設備會相應開始工作,卸料產生的灰塵通過進料斗,由伸縮收塵軟管進入收塵器凈化,當下料頭的物料裝滿時,下料頭邊上升,邊報警,上升距離要在裝料前設置。若上升距1米,則將時間繼電器的時間調為T=1N。在上升過程中裝料始終在進行,當下料頭滿時,再重復上述動作,到達料滿位置后,按停車鈕,使電振機反制動,或關閉扇形閥下料停止工作,其它設備相應停止工作。停車后可按上升按鈕讓下料斗離開物料一定距離,確保運輸工具的移動,再對準第二個卸料工位。直到整個料倉裝滿為止



